Outer dimensions
The following are the dimensions of the assembled sensor flange and Force Sensor.
For S250N (C4 series)

End effector side

S250L (For C8, C12 series: IP20 compliant)

End effector side

S250P (For C8 series: IP67 compliant)

End effector side

For S250H (N2 series)

End effector side

For SH250LH (N6 series)

End effector side

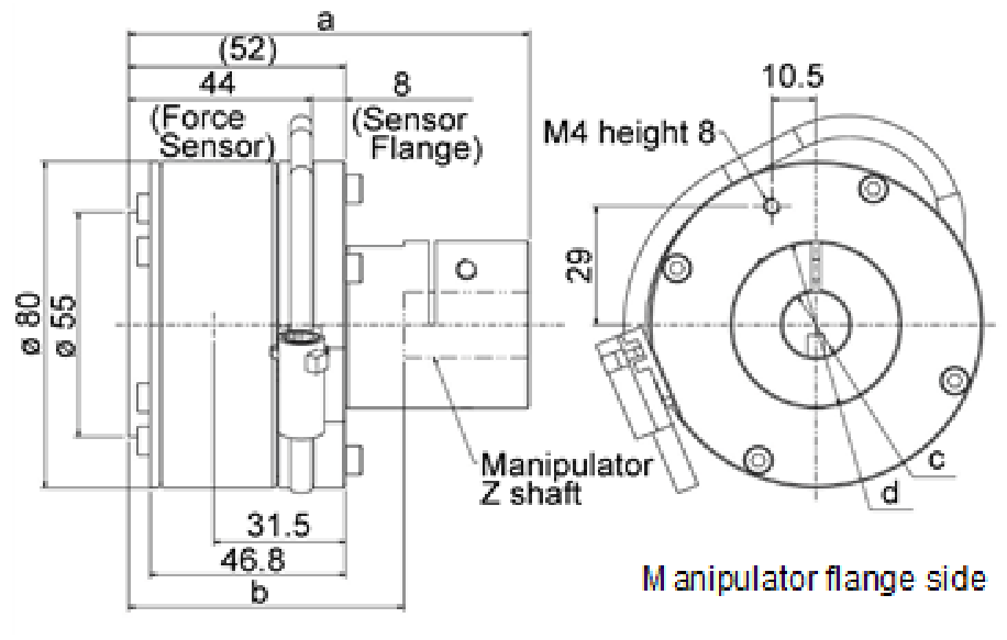
S2503, S2506, S25010 (For G, GX, RS series)

End effector side

(Unit: mm)
| S2503 | S2506 | S25010 | ||
|---|---|---|---|---|
| a | Distance from the upper end of the adapter to the end face of the Force Sensor | 96 | 98 | |
| b | Distance from the end face of the Manipulator Z-shaft to the end face of the Force Sensor | 66 | 68 | |
| c | Diameter of the installation hole for the adapter shaft | 16 | 20 | 25 |
| d | Outer diameter of the adapter | 41 | 45.5 | |